1260W subwoofer and crossover


Motivation

My speaker setup at school worked for most music but I wanted to reproduce the lower frequencies in some music. I found the Infinity 1260W which seemed to have a good performance for the price and had generally positive reviews.

Box Design

Starting with the physical constraints, it seemed like it would be nice if the subwoofer cabinet could double as a stand for the Polk Audio Monitor 7 speakers. Due to the room arrangement, they'd be placed between a desk and bookshelf which allowed a maximum width of 15". Scrap 3/4" plywood was readily available at the time so I used that for the cabinet's design. Since this was my first subwoofer design and construction project, a sealed subwoofer seemed like the best starting place with its simplistic construction. A cube made from 3/4" plywood (actually 23/32") that has an internal volume of 38.5 liters has an outside edge length of around 14.75". Subtracting about a liter for the cross bracing, the 37.5 liter cabinet paired with the subwoofer driver has a Q=0.71 (maximally flat response) and a -3dB freq of 42Hz.

[image of the hornresp file and cabinent construction notes]

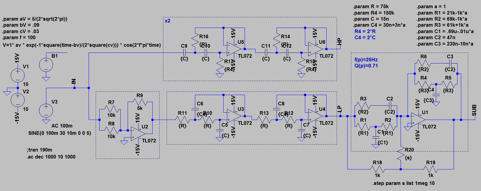
Filter Design

For the crossover, I chose a LR4 filter (flat summed response of the high pass and low pass paths) and a rather high crossover frequency of 100Hz. typical crossover freq is 80Hz At this point, it could be called a day and the crossover built. I figured the 42Hz rolloff frequency wasn't that low and is only about as good as the monitors themselves. Since the sealed subwoofer has a nicely characterized rolloff of a 2nd order system and decent power handling capability, additional power can be supplied to counteract the rolloff. This can be done with a [Linkwitz transform filter]. The Linkwitz filter was designed to push the -3dB point to 25Hz so that the lowest note on a piano, 27.5Hz, could be reproduced without too much attenuation. It wasn't pushed lower to give more power headroom for the amplifier.

[insert plots of the sealed subwoofer response and response with filter added]

I wanted to be able to switch in the Linkwitz filter as desired and figured this could be done by bypassing the relatively high impedance filter passives with a couple of resistors. This would turn the the filter into an inverting follower. When the filter's not bypassed, the resistors are between two low impedance nodes so the impact is negigible.

For the power electronics, I used a cheap switchmode power supply and prebuilt class D amplifier (IRS2092 based) since they weren't the focus of the project.

[add images of testing the designed crossover to ensure it behaved properly. We wouldn't want a 180 degree phase shift at crossover or something. The overall design is based on this http://www.linkwitzlab.com/Pluto/subwoofer.htm ]

crossover schematic
active crossover

LR4 crossover for single subwoofer with switchable low freq extension (only for low power pushing 42Hz to 25Hz) (3/16/16)

Future Steps

Redoing this project, I would have initially explored different drivers and compared parameters like total volume for a Q=0.71 sealed subwoofer, power handling for bass extension, and cost. The speaker parameters would be measured since manufactuer's tolerances aren't stated. Certain parameters might not affect the performance much but they'd be nice to confirm before designing the rest of the system. The subwoofer level control wouldn't be in the feedback path in case the pot goes open. The crossover frequency would be changed to 80Hz since the transition from stereo to mono is noticeable at 100Hz and physical placement of a subwoofer is limited at higher crossover frequencies. Ideally, two subwoofers would be used to even out a small room's response.